服务热线:18352636881

现货供应各种减速机和配件

您当前所在位置:首页 / 产品中心 / NGW行星减速器
产品导航
联系我们
地址:江苏省泰兴市姚王镇(原江苏泰兴减速机厂向南500米)
邮编:225400
手机:18352636881
电话:0523-87666733
电话:0523-87666455
传真:0523-87666977
邮箱:2718548046@qq.com
网址:http://tailongjsj.top
NGW行星减速器

产品用途:

一、概述
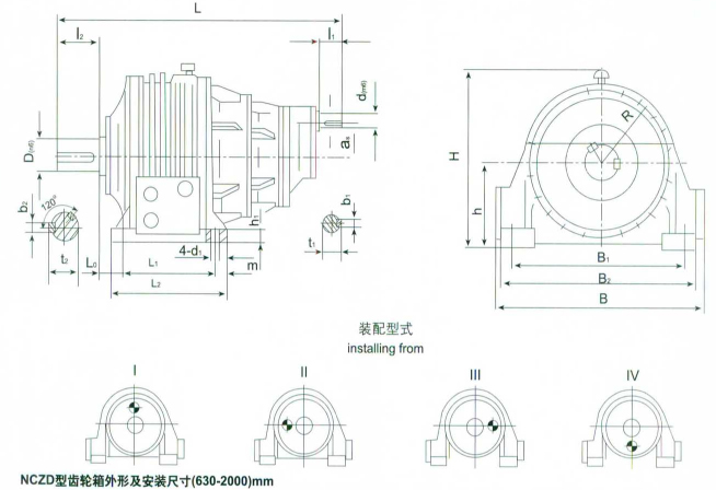
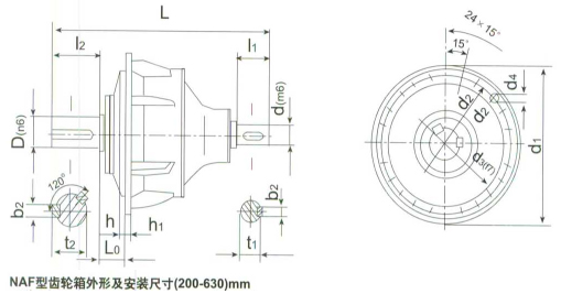
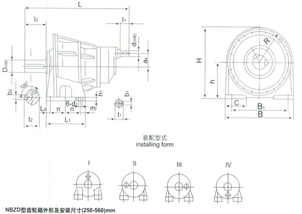
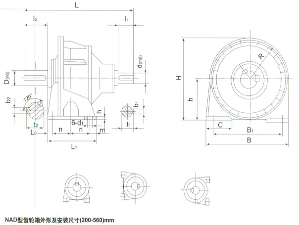
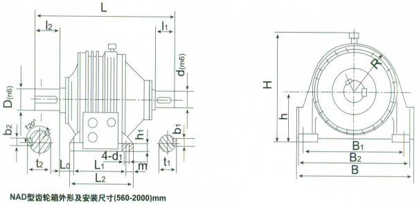
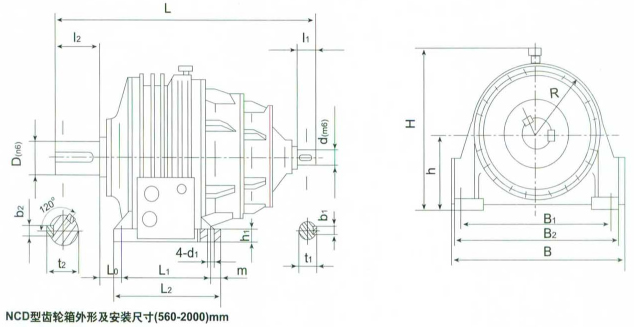
     新式NGW行星减速器包括NAD、NAZD、NBD、NBZD、NCD、NCZD、NAF、NBF、NCF、NAZF、NBZF、NCZF十二千系列。
     主要适用于冶金矿山、运输、建材、轻工、能源、交通等行业。
     减速器的高速轴转速按其规格为1500-600r/min。
     减速器齿轮传动的圆周速度,直齿轮不大于15m/s,斜齿鸵不大于20m/s。
     减速器工作环境温度为-40℃-+45℃,低于0时℃,启动前润滑油应预热至10℃以上。
     减速器可正反两向运转。

二、减速器的代号与标记方法
     减速器代号包括,型号、级别、联结、型式、规格、公称传动比。装配型式,标准号。
     其标记符号:Symbol include:type,stage no,linking,form,nominal transmission ratio,assembling form,standard no。

 

 

上一篇:没有了

下一篇:NGW-L 型立式行星齿轮减速器