| 硬齿面圆柱齿轮减速机 | |
| 没有小类 | |
| 中硬齿面圆柱齿轮减速机 | |
| 没有小类 | |
| 软齿面圆柱齿轮减速机 | |
| 没有小类 | |
| 行星齿轮减速机 | |
| 没有小类 | |
| 三合一齿轮减速机 | |
| 没有小类 | |
| 星轮减速机 | |
| 没有小类 | |
| 摆线针轮减速机 | |
| 没有小类 | |
| 轴装式减速机 | |
| 没有小类 | |
| TZ系列立式粮油机械用减速机 | |
| 没有小类 | |
| 电动滚筒系列 | |
| 没有小类 | |
| 蜗轮蜗杆减速机系列 | |
| 没有小类 | |
| WP系列蜗轮减速机 | |
| 没有小类 | |
| 平面包络环面蜗杆减速机 | |
| 没有小类 | |
| 平面二次包络环面蜗杆减速机 | |
| 没有小类 | |
| K.S.R.F斜齿轮减速器 | |
| 没有小类 | |
| 三环减速机系列 | |
| 没有小类 | |
| 特殊齿轮减速机 | |
| 没有小类 | |
| 棘轮棘爪硬齿面减速机 | |
| 没有小类 | |
| 重载型减速机 | |
| 没有小类 | |
| 其他系列减速机 | |
| 没有小类 | |
| 机架系列 | |
| 没有小类 | |
| 三相异步电动机 | |
| 没有小类 | |
| SSX弧齿锥齿轮行星减速器 | |
| 没有小类 | |
| 立式化工搅拌设备 | |
| 没有小类 | |
邮编:225400
手机:18352636881
电话:0523-87666733
电话:0523-87666455
传真:0523-87666977
邮箱:2718548046@qq.com
网址:http://tailongjsj.top
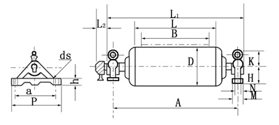
产品用途: 概述 该产品是供具有可燃性气体、瓦斯、粉尘等形成的爆炸性混合物环境条件下所使用的输送机械做驱动装置。隔爆标志为dI、dIIAT4、dⅡBT4。dI适合于有甲烷或煤尘爆炸危险性混合物存在的矿井中,dⅡAT4适合于Ⅰ、ⅡA级T1-T4组爆炸危险性混合物存在的场所,dIIBT4适合于Ⅰ,IIA、ⅡB级T1-T4组爆炸危险性混合物存在的场所。可满足各种逆止、包胶等要求。 YDB型隔爆油冷式电动滚筒外形尺寸 YDB型隔爆油冷式电动滚筒外型尺寸


YDB型隔爆油冷式电动滚筒技术参数
|
直径(mm) |
功率(kW) |
带宽(mm) |
胶带速度(m/s) |
质量(Kg) | |||||||
|
0.8 |
1.0 |
1.25 |
1.6 |
2.0 |
2.5 |
3.15 |
4.0 | ||||
|
320
|
1.5 |
500 |
· |
· |
· |
· |
185 | ||||
|
650 |
· |
· |
· |
· |
195 | ||||||
|
2.2 |
500 |
· |
· |
· |
187 | ||||||
|
650 |
· |
· |
· |
197 | |||||||
|
3 |
500 |
· |
· |
220 | |||||||
|
650 |
· |
· |
227 | ||||||||
|
4 |
500 |
· |
227 | ||||||||
|
650 |
· |
239 | |||||||||
|
400 |
2.2 |
500 |
· |
· |
· |
· |
219 | ||||
|
650 |
· |
· |
· |
· |
230 | ||||||
|
3 |
500 |
· |
· |
· |
· |
251 | |||||
|
650 |
· |
· |
· |
· |
265 | ||||||
|
4 |
500 |
· |
· |
· |
256 | ||||||
|
650 |
· |
· |
· |
270 | |||||||
|
500 |
1.5 |
500 |
· |
· |
272 | ||||||
|
650 |
· |
· |
283 | ||||||||
|
2.2 |
500 |
· |
· |
· |
· |
274 | |||||
|
650 |
· |
· |
· |
· |
285 | ||||||
|
800 |
· |
· |
· |
315 | |||||||
|
3 |
500 |
· |
· |
· |
· |
· |
302 | ||||
|
650 |
· |
· |
· |
· |
· |
316 | |||||
|
800 |
· |
· |
· |
· |
· |
346 | |||||
|
4 |
500 |
· |
· |
· |
· |
· |
· |
308 | |||
|
650 |
· |
· |
· |
· |
· |
· |
322 | ||||
|
800 |
· |
· |
· |
· |
· |
· |
352 | ||||
|
5.5 |
500 |
· |
· |
· |
· |
· |
368 | ||||
|
650 |
· |
· |
· |
· |
· |
404 | |||||
|
800 |
· |
· |
· |
· |
· |
435 | |||||
|
7.5 |
650 |
· |
· |
· |
· |
419 | |||||
|
800 |
· |
· |
· |
· |
· |
448 | |||||
|
11 |
650 |
· |
· |
· |
481 | ||||||
|
800 |
· |
· |
· |
· |
518 | ||||||
|
15 |
800 |
· |
· |
· |
· |
542 | |||||
|
630 |
3 |
1000 |
· |
529 | |||||||
|
4 |
1000 |
· |
· |
· |
536 | ||||||
|
1200 |
· |
590 | |||||||||
|
5.5 |
800 |
· |
· |
· |
· |
577 | |||||
|
1000 |
· |
· |
· |
· |
608 | ||||||
|
1200 |
· |
· |
· |
· |
· |
678 | |||||
|
7.5 |
800 |
· |
· |
· |
· |
592 | |||||
|
1000 |
· |
· |
· |
· |
· |
703 | |||||
|
1200 |
· |
· |
· |
· |
· |
692 | |||||
|
11 |
650 |
· |
· |
613 | |||||||
|
800 |
· |
· |
· |
679 | |||||||
|
1000 |
· |
· |
· |
· |
· |
· |
711 | ||||
|
1200 |
· |
· |
· |
· |
· |
781 | |||||
|
15 |
800 |
· |
· |
697 | |||||||
|
1000 |
· |
· |
· |
· |
729 | ||||||
|
1200 |
· |
· |
· |
· |
· |
799 | |||||
上一篇:YZ型油冷摆线针轮电动滚筒
下一篇:铝合金壳无级蜗轮系列

