产品导航
| 硬齿面圆柱齿轮减速机 | |
| 没有小类 | |
| 中硬齿面圆柱齿轮减速机 | |
| 没有小类 | |
| 软齿面圆柱齿轮减速机 | |
| 没有小类 | |
| 行星齿轮减速机 | |
| 没有小类 | |
| 三合一齿轮减速机 | |
| 没有小类 | |
| 星轮减速机 | |
| 没有小类 | |
| 摆线针轮减速机 | |
| 没有小类 | |
| 轴装式减速机 | |
| 没有小类 | |
| TZ系列立式粮油机械用减速机 | |
| 没有小类 | |
| 电动滚筒系列 | |
| 没有小类 | |
| 蜗轮蜗杆减速机系列 | |
| 没有小类 | |
| WP系列蜗轮减速机 | |
| 没有小类 | |
| 平面包络环面蜗杆减速机 | |
| 没有小类 | |
| 平面二次包络环面蜗杆减速机 | |
| 没有小类 | |
| K.S.R.F斜齿轮减速器 | |
| 没有小类 | |
| 三环减速机系列 | |
| 没有小类 | |
| 特殊齿轮减速机 | |
| 没有小类 | |
| 棘轮棘爪硬齿面减速机 | |
| 没有小类 | |
| 重载型减速机 | |
| 没有小类 | |
| 其他系列减速机 | |
| 没有小类 | |
| 机架系列 | |
| 没有小类 | |
| 三相异步电动机 | |
| 没有小类 | |
| SSX弧齿锥齿轮行星减速器 | |
| 没有小类 | |
| 立式化工搅拌设备 | |
| 没有小类 | |
联系我们
地址:江苏省泰兴市姚王镇(原江苏泰兴减速机厂向南500米)
邮编:225400
手机:18352636881
电话:0523-87666733
电话:0523-87666455
传真:0523-87666977
邮箱:2718548046@qq.com
网址:http://tailongjsj.top
邮编:225400
手机:18352636881
电话:0523-87666733
电话:0523-87666455
传真:0523-87666977
邮箱:2718548046@qq.com
网址:http://tailongjsj.top
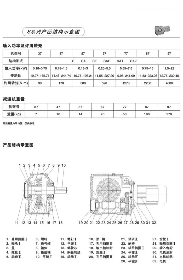
S系列斜齿轮蜗轮蜗杆减速机
产品用途: S系列斜齿蜗轮蜗杆减速机性能特点: S系列蜗轮蜗杆减速机除具有常规特性外,该机还采用了斜齿-蜗轮形式,使结构更加合理化,它不仅改变了比单级蜗轮蜗杆传动具有更高的传动效率和承载能力,而且在结构布局上缩小了空间占地面积,同时在相近体积条件下,能获得更大传动比,更有利于设备的配置,该机能与各种减、变速机组合,满足不同的使用要求。 技术参数: 安装方式: 功率:0.12KW~22KW 底脚安装 转 矩:10N·m~4890N·m 法兰安装 输出转速:0.12~397r/min 轴装安装
S系列斜齿轮-蜗轮蜗杆减速电机















上一篇:F系列平行轴斜齿轮减速电机
下一篇:R系列斜齿轮减速电机

