服务热线:18352636881

现货供应各种减速机和配件

您当前所在位置:首页 / 产品中心 / SH型三环减速机
产品导航
联系我们
地址:江苏省泰兴市姚王镇(原江苏泰兴减速机厂向南500米)
邮编:225400
手机:18352636881
电话:0523-87666733
电话:0523-87666455
传真:0523-87666977
邮箱:2718548046@qq.com
网址:http://tailongjsj.top
SH型三环减速机

产品用途:

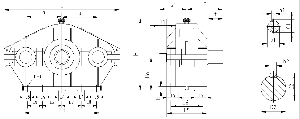
图8   SH型减速器外形尺寸

表10  SH型减速器外形尺寸

规格
中心尺寸
轮 廓 尺 寸
地 脚 螺 栓
高速轴伸i≤23
高速轴伸i≥25.5
低 速 轴 伸
质量
(kg)
a     H0
H    L    L1    L5
d   n   k   L2   L3   L4   L6   L7   L8
D1      l1    s1     c1     b1
D1      l1     s1     c1     b1
D2    t    T      c2     b2
80
90
105
125
145
175
215
255
300
350
400
450
500
550
600
670
750
840
950
1070
80    75
90    85
105   100
125   115
145   130
175   165
215   200
255   230
300   280
350   325
400   355
450   400
500   500
550   560
600   630
670   670
750   750
840   840
950   950
1070  1060
155   280   160   105
176   315   180   120
201   360   230   135
258   410   270   140
291   475   310   175
367   585   370   200
433   690   450   240
493   810   530   260
585   960   630   300
678   1100  720   340
740   1280  820   370
825   1440  920   420
988   1610  1050  465
1110  1750  1130  510
1230  1920  1250  555
1330  2110  1370  600
1480  2350  1550  660
1626  2640  1730  750
1830  2940  1950  815
2060  3230  2190  870
M8   4   10  67.5  30       85   30
M10  4   12  77.5  40       95   35
M12  4   14   80   60       105  40
M12  4   16  100   60       110  40
M16  4   18  115   70       130  50
M16  4   20  145   80       150  60
M20  4   25  190  100       185  65
M20  6   25  220  100  100  210  70
M24  6   30  255  120  120  235  80
M24  6   35  310  120  160  270  90
M24  8   40  150  120  120  310  100  210
M30  8   45  160  120  120  340  100  240
M36  8   50  185  150  120  390  100  250
M36  8   60  200  150  150  440  120  290
M42  8   60  220  180  150  480  120  300
M42  8   70  250  180  180  520  140  350
M48  8   80  250  210  210  560  150  420
M48  10  80  330  225  200  640  150  410
M56  10  90  360  235  200  685  200  480
M56  10  90  440  240  240  735  200  540
9j6    20   70   10.2  3
11j6   23   80   12.5  4
14j6   25   90   16    5
18j6   28   100  20.5  6
22j6   36   115  25    8
30j6   58   150  33    8
35k6   58   165  38   10
45k6   82   195  48.5 14
50k6   82   215  53.5 14
55m6   82   240  59   16
65m6   105  290  69   18
75m6   105  310  79.5 20
80m6   130  350  85   22
85m6   130  370  90   22
90m6   130  390  95   25
100m6  165  450  106  28
110m6  165  485  116  28
130m6  200  545  137  32
150m6  200  575  158  36
170m6  240  640  179  40
9j6   20   70   10.2   3
11j6  23   80   12.5   4
14j6  25   90    16    5
18j6  28   100  20.5   6
22j6  36   115   25    8
30j6  58   150   33    8
35k6  58   165   38    10
45k6  82   195  48.5   14
50k6  82   215  53.5   14
55m6  82   240   59    16
65m6  105  290   69    18
70m6  105  310  74.5   20
70m6  105  325  74.5   20
75m6  105  345  79.5   20
80m6  130  390   85    22
90m6  130  415   95    25
100m6 165  485   106   28
110m6 165  510   116   28
130m6 200  575   137   32
150m6 200  600   158   36
24j6   36   85    27    8
28j6   42   100   31    8
32k6   58   125   35   10
38k6   58   130   41   10
48k6   82   160  51.5  14
60m6   105  203   64   18
75m6   105  215  79.5  20
90m6   130  245   95   25
110m6  165  315  116   28
130m6  200  365  137   32
150m6  200  395  158   36
170m6  240  460  179   40
180m6  240  470  190   45
200m6  280  535  210   50
220m6  280  540  231   50
250m6  330  630  262   56
280m6  380  705  292   63
300m6  380  730  314   70
340m6  450  830  355   80
380m6  450  860  395   80
17
22
30
43
73
110
170
250
440
590
850
1170
1650
2220
2900
4100
5900
8450
12370
1810

 

上一篇:SHD型三环减速器

下一篇:QTR型三环减速机