产品介绍产品图纸
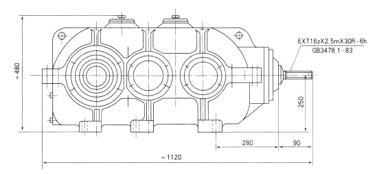
SPJ-800型矿用减速机
特殊齿轮减速机
产品型号:SPJ-800
SPJ-800型矿用减速机适用范围及特点
SPJ-800减速器适用于煤炭行业运输传递机械设备中做减速之用,该机齿轮及齿轮轴采用高强度低碳合金经特殊工艺加工处理而成,具有承载能力高、寿命长、噪声低、体积小、结构紧凑等优点。
使用与维护
1、减速器在使用前应取消视孔盖加入适量的双曲线齿轮油或粘度相当的机械油。方能进行负载运转。
2、在工作中如果发现异常噪声,冲击声和温度极具升高及其他不正常现象时,应立即停止运转,查明原因并排除之。
3、本机在磨合初期3-5天内,应停车检查各部位是否有松动或间隙过大现象,如有应该加以调整。调整方法:可去除一层或者几层纸垫,或者用去除端盖厚度的方法来调整其啮合间隙。同时更换新的齿轮油,以提高整机使用寿命。
4、经常检查润滑油质量和油位及注油点,并根据油的分解氧化程度定期更换,推荐更换期2-3月,同时应清理机壳内污物及其清晰内部零件,以确保减速器正常运转。
SPJ-800型矿用减速机
特殊齿轮减速机
产品型号:SPJ-800
SPJ-800型矿用减速机适用范围及特点
SPJ-800减速器适用于煤炭行业运输传递机械设备中做减速之用,该机齿轮及齿轮轴采用高强度低碳合金经特殊工艺加工处理而成,具有承载能力高、寿命长、噪声低、体积小、结构紧凑等优点。
使用与维护
1、减速器在使用前应取消视孔盖加入适量的双曲线齿轮油或粘度相当的机械油。方能进行负载运转。
2、在工作中如果发现异常噪声,冲击声和温度极具升高及其他不正常现象时,应立即停止运转,查明原因并排除之。
3、本机在磨合初期3-5天内,应停车检查各部位是否有松动或间隙过大现象,如有应该加以调整。调整方法:可去除一层或者几层纸垫,或者用去除端盖厚度的方法来调整其啮合间隙。同时更换新的齿轮油,以提高整机使用寿命。
4、经常检查润滑油质量和油位及注油点,并根据油的分解氧化程度定期更换,推荐更换期2-3月,同时应清理机壳内污物及其清晰内部零件,以确保减速器正常运转。





