服务热线:18352636881

现货供应各种减速机和配件

您当前所在位置:首页 / 产品中心 / JXLD JBLD型机架
产品导航
联系我们
地址:江苏省泰兴市姚王镇(原江苏泰兴减速机厂向南500米)
邮编:225400
手机:18352636881
电话:0523-87666733
电话:0523-87666455
传真:0523-87666977
邮箱:2718548046@qq.com
网址:http://tailongjsj.top
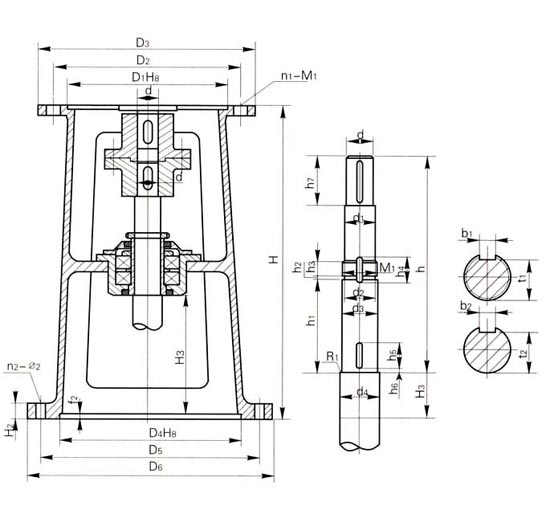
JXLD JBLD型机架

产品用途:

产品简介:

本机架系列的JXLD型适用与XLD型摆线针傫行星减速机联接,JBLD型适用于与BLD型摆线减速机相连接。为使搅拌轴与轴承室装配。维修方便, 本公司对轴承室结构进行改进设计。同时对BLD2、BLD3、BLD4与相配的机架JBLD2、JBLD3、JBLD4的轴承室加大。使之与较粗的搅拌轴 相一致。

  a、Ⅰ型为普通型。Ⅱ型为增高型。

  b、本系列机架以选好与之配套的联轴器型号及规格,请一并注明。

型号标定方法及示例

JXLD型、JBLD型单支点机架主要尺寸

JXLD型 d JBLD型 d d1 M1 d2 d3 d4 R1 t1 b1 t2 b2 h1 h2 h3 h4 h5 h6 h7 h
JXLD1 18 22 M25×1.5 22 25 30 1 21 5 22 5 103 3 13 22 30 3 30 170
JBLD2 25 32 M35×1.5 32.8 35 40 1 31 6 31.5 6 103 3 13 22 30 3 53 185
JXLD3 35 JBLD1 40 42 M45×1.5 42.8 45 50 1 41 6 41.5 6 113 3 15 24 40 3 53 281
JXLD4 45 47 M50×1.5 47.8 45 50 1 41 6 41.5 8 113 3 15 28 40 3 69 298
JBLD2 50 57 M60×2 57 60 65 1 56 8 56 8 118 4 15 28 40 3 69 306
JXLD5 55 57 M60×2 57 30 65 1 56 8 56 8 118 4 15 28 40 3 80 365
JBLD3 65 71 M75×2 72 75 80 1 69 10 70 10 143 4 18 32 50 3 93 380
JXLD6 65 71 M75×2 72 75 80 1 69 10 70 10 143 4 18 32 50 3 93 369
JBLD4 80 81 M85×2 82 85 90 1.5 79 10 80 10 163 4 18 32 60 3 93 388
JXLD7 80 81 M85×2 82 85 90 1.5 79 10 80 10 163 4 18 32 60 3 93 425
JXLD8 90 JBLD5 90 91 M95×2 92 95 110 1.5 89 12 90 12 168 4 20 36 60 3 125 457
JXLD9 100 JBLD6 100 112 M115×2 112 115 125 2 109 14 109.5 14 178 4 24 42 60 3 129 425/458
JXLD10 110 JBLD7 110 112 M115×2 112 115 125 2 109 14 109.5 14 178 4 24 42 60 3 153 374
JXLD11 130 JBLD8 130 135 M140×2 137 140 150 2 132 14 134.5 14 208 4 28 46 70 3 196 440
JXLD12 180 180 185 M190×3 185 190 220 3 179 16 184 16 235 4 35 55 100 4 284 617

,
机架 外形及联接尺寸 Ⅰ型 Ⅱ型
JXLD JBLD D1 D2 D3 n1-M1 D4 D5 D6 n2-φ2 H2 f2 H H3 重量 H H3 重量
JXLD1 100 134 160 4-M8 240 285 315 6-φ14 14 6 370 150 12 460 240 14
JXLD2 130 160 190 6-M8 260 320 360 6-φ18 18 6 420 165 26 500 245 30
JXLD3 JBLD1 170 200 230 6-M10 300 360 410 6-φ18 18 6 520 158 55 610 248 60
JXLD4 200 230 260 6-M10 335 400 450 6-φ18 18 8 570 175 80 670 275 86
JBLD2 167 84 267 90
JXLD5 270 310 340 6-M10 385 450 500 8-φ18 24 8 650 182 110 750 282 120
JBLD3 167 115 267 125
JXLD6 316 360 400 8-M12 410 480 530 12-φ18 24 8 660 179 130 760 289 145
JBLD4 161 138 262 158
JXLD7 345 390 430 8-M16 430 510 565 12-φ22 24 8 740 191 160 860 311 178
JXLD8 JBLD5 400 450 490 12-M16 430 510 565 12-φ22 28 8 800 199 208 920 319 230
JXLD9 JBLD6 455 520 580 12-M20 455 520 580 12-φ22 30 10 810 203 235 920 313 262
JXLD10 JBLD7 520 590 650 12-M20 520 590 650 12-φ22 30 12 830 252 300 950 372 345
JXLD11 JBLD8 680 800 880 12-M30 680 800 880 12-φ3745 12 860 200 480 980 320 538
JXLD12 900 1020 1160 12-M36 900 1020 1160 12-φ39 50 12 1200 201 1350 350

注:图示所注“h”仅与本样本XLD、BLD系列减速机相配,如选用其他型号或其他厂家减速机,“h”需另行计算。

 

上一篇:JA、JB系列机座

下一篇:JXLD型机架(74标)