服务热线:18352636881

现货供应各种减速机和配件

您当前所在位置:首页 / 产品中心 / JXLD型机架(74标)
产品导航
联系我们
地址:江苏省泰兴市姚王镇(原江苏泰兴减速机厂向南500米)
邮编:225400
手机:18352636881
电话:0523-87666733
电话:0523-87666455
传真:0523-87666977
邮箱:2718548046@qq.com
网址:http://tailongjsj.top
JXLD型机架(74标)

产品用途:

产品简介:

本贡架可直接与我厂的XLD型减速机10种机型联接

型号标定方法示例:

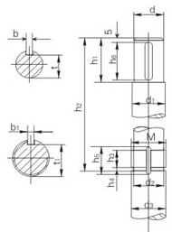
JXLD型机架主要参数及尺寸

机架代号 减速机出轴轴径d 搅拌轴轴端尺寸 外形及联接尺寸 Ⅰ型 Ⅱ型
d1 M d2 d3(K6) h1 h2 h3 h4 h5 h6 b b1 t t1 H1 H2 D3 D2 D1 n1-φ1 D4 D5 D6(H9) t2 b2 n2-φ2 H H3 重量(kg) H H 重量(kg)
JXLD3 35 40 M45×1.5 42.8 45 60 215 10 3 16 50 10 6 30 41 291 136 230 200 170 6-12 410 360 300 6 18 6-18 520 170 55 610 260 80
JXLD4 45 50 M55×2 52 55 75 235 14 4 22 69 14 8 39.5 51 335 175 260 230 200 6-12 450 400 335 6 18 6-18 570 155 80 670 255 86
JXLD5 55 60 M65×2 62 65 75 301 14 4 22 70 16 8 49 61 404 178 340 310 270 6-13 500 450 385 6 22 8-18 650 157 110 750 257 120
JXLD6 65 70 M75×2 72 75 90 277 16 4 25 85 18 10 58 70 402 215 400 360 316 8-16 530 480 410 8 22 12-18 660 168 130 760 268 145
JXLD7 80 85 M90×2 87 90 105 316 20 4 30 100 22 12 71 84 441 230 430 390 345 8-18 565 510 430 8 24 12-22 740 194 160 860 314 178
JXLD8 90 95 M100×2 97 100 125 320 20 4 30 120 25 12 81 94 471 276 490 450 400 12-18 565 510 430 8 28 12-22 800 212 208 920 332 230
JXLD9 100 105 M110×2 107 110 125 308 20 4 31 120 28 14 90 104 496 313 580 520 455 12-22 580 520 455 10 30 12-22 810 191 235 920 301 262
JXLD10 110 115 M120×2 117 120 155 267 24 4 35 150 28 14 100 114 475 363 650 590 520 12-22 650 690 520 12 30 12-22 830 221 300 950 341 345
JXLD11 130 135 M140×2 137 140 155 301 28 4 39 150 32 14 119 132 521 375 880 800 680 12-38 880 800 680 12 30 12-37 850 185 480 970 305 538
JXLD12 180 190 M200×3 196 200 284 377 36 4 48 280 45 16 165 190 757 664 1160 1020 900 8-39 1160 1020 900 12 45 8-39 1200 235 350 385

注:图示所注“h2”仅与本样本XLD系列减速机相配,如选用其他型号或其他厂家减速机,“H2”需另计算,Ⅰ型为普通型;Ⅱ型为增高型、除H、H2尺寸加大外,其余尺寸与Ⅰ型相同。

 

上一篇:JXLD JBLD型机架

下一篇:FZ型双支点方底板机